复旦微超低功耗32位MCU单片机FM33FR023可替代瑞萨R7F0C90x系列
复旦微超低功耗32位MCU单片机FM33FR023
可替代瑞萨R7F0C90x系列
宽电压范围:2.2~5.5V
工作温度范围:-40℃~+105℃
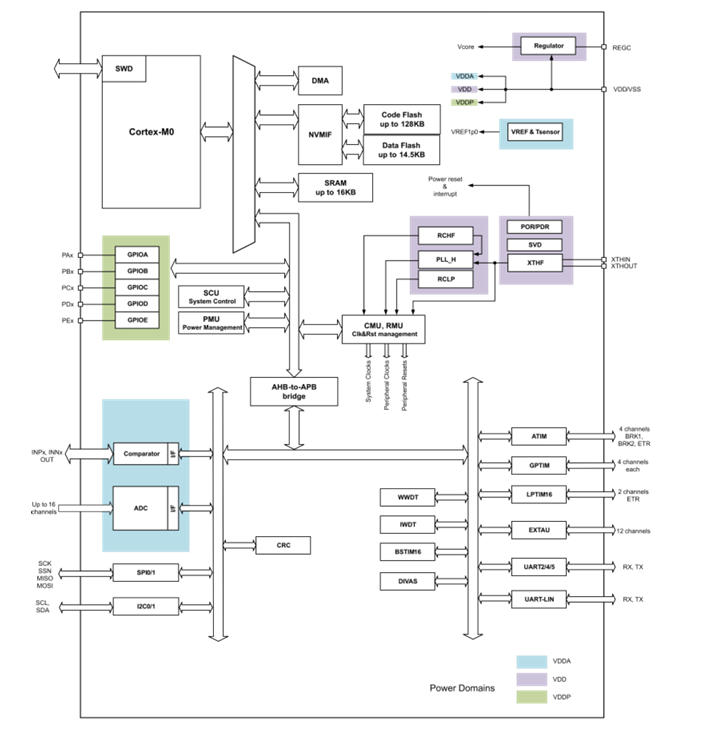
处理器内核
ARMCortex-M0
支持用户/特权模式
支持中断向量表重映射
最高主频48MHz
SWD调试接口
24bit Systick定时器
低功耗技术平台
典型运行功耗150uA/MHz
Sleep模式:5uA
DeepSleep模式,全部RAM保持+CPU内核保持:1uA
存储器
128KBFlash 带ECC
14.5KB Data Flash
Flash擦写寿命:100,000次
Flash数据保存时间:10年@85℃
用户代码保护
16KBRAM带parity
丰富的模拟外设
高可靠上下电复位电路
可编程电源监测模块(SVD),支持中断和复位模式
12bit 1MspsSAR-ADC
1x模拟比较器
温度传感器,全温区线性度+/-5℃
通信接口
UART*4,其中UART1支持LIN通信
SPI*2,主从模式
I2C*2,400KHz,主机模式
2通道外设DMA
可编程CRC校验模块
定时资源
TAU定时器阵列,包含12个独立通道
16bit 4通道高级定时器*1
16bit基本定时器*1
24-bit Systick*1
16bit 2通道低功耗定时器*1
看门狗定时器*2
时钟发生电路
片上8/16/24/32MHz高速RC振荡器,8MHz出厂调校误差+/-0.5%,全温区变化小于+/2%
4~40MHz高频晶体振荡器,带有停振检测电路
低功耗低速RC振荡器,32KHz
PLL,输入4MHz,输出32~48MHz
封装:LQFP48/LQFP44/LQFP32/QFN32(5*5)(4*4)/QFN20(3*3)
.png)

![]()
全国咨询热线:18929103949(微信同号) 唐小姐
销售部电话:0769-81150556
工程部电话:0769-85638990
QQ:1923681612
邮箱:dgzm699@163.com
总部地址:东莞市大岭山镇矮岭冚村沿河东街8号
佛山办事处:佛山市顺德区容桂镇细滘德宝北路合安街19号
中铭官网:www.zm699.com
| * 联系人: | 请填写您的真实姓名 |
| * 手机号码: | 请填写您的联系电话 |
| 电子邮件: | |
| * 采购意向描述: | |
| 请填写采购的产品数量和产品描述,方便我们进行统一备货。 | |
| 验证码: |
|
| 我要评论: | |
| 内 容: |
(内容最多500个汉字,1000个字符) |
| 验证码: | 看不清?! |
销售电话:0769-81150556
工程电话:0769-85638990
传真:0769-83351643
地址:东莞市矮岭冚村沿河东街8号





共有-条评论【我要评论】