登录|注册收藏本站在线留言联系中铭网站地图中文英文

您好,欢迎访问中铭电子官方网站!

中铭电子中铭电子

免费咨询热线:

18929103949

热门关键词:华南华东IGBT深圳工业智能IGBT公司华南华东IGBT深圳工业智能IGBT代理华南华东IGBT工业深圳智能IGBT售后华南华东IGBT深圳工业智能IGBT售后华南华东IGBT工业深圳智能IGBT公司IGBT深圳工业智能IGBT价格IGBT工业深圳智能IGBT价格华南华东IGBT工业深圳智能IGBT代理

芯朋微PN8215主控芯片140W氮化镓充电器芯片

产品分类: 根分类
    PN8215充电器芯片内部集成了电流模式控制器和高压启动模块,专用于高性能的快速充电开关电源。PN8215内置输入电压电测模块及X电容放电功能,通过检测输入电压、输出电压和负载变化自适应切换PWM、强制DCM、PFM和BurstMode工作模式,多模式的调制技术和特殊器件低功耗结构技术实现了超低的待机功耗、全电压范围下的最佳效率。
    订购热线:18929103949

       

      芯朋微PN8215主控芯片140W氮化镓充电器芯片

      一、概述

      PN8215充电器芯片内部集成了电流模式控制器和高压启动模块,专用于高性能的快速充电开关电源。PN8215内置输入电压电测模块及X电容放电功能,通过检测输入电压、输出电压和负载变化自适应切换PWM、强制DCM、PFM和BurstMode工作模式,多模式的调制技术和特殊器件低功耗结构技术实现了超低的待机功耗、全电压范围下的最佳效率。频率调制技术和Soft-Driver技术充分保证系统的良好EMI表现。同时,PN8215还提供了极为全面和性能优异的智能化保护功能,包括输入欠压过压保护、输出欠压过压保护、过温保护、次级整流管短路保护、逐周期过流保护、过载保护等功能。

      二、特性

      内置高压启动电路

      内置X电容放电电路

      内置高低压检测电路

      PWM、强制DCM、PFM和BurstMode多模式提高效率

      空载待机功耗<75mW@230Vac

      优异全面的保护功能

       精确的过温保护(OTP)

       输入欠压/过压保护

       输出欠压过压保护

       逐周期过流保护(OCP)

       输出开/短路保护

       DMG电阻短路保护

       次级整流管短路保护

       过负载保护

       

      三、应用领域

      手机充电器

      适配器

       

      四、封装/订购信息

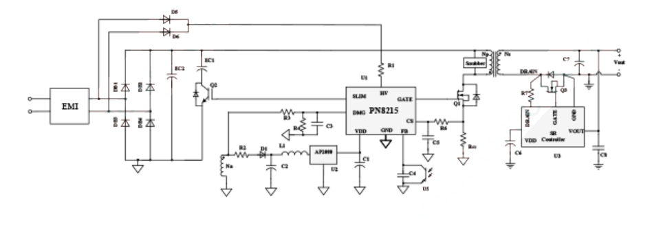
      五、典型电路

        全国咨询热线:18929103949 唐小姐

        销售部电话:0769-81150556   

        工程部电话:0769-85638990

        QQ:1923681612   

        邮箱:dgzm699@163.com      

       

        总部地址:东莞市大岭山镇矮岭冚村沿河东街8号

        佛山办事处:佛山市顺德区容桂镇细滘德宝北路合安街19号

       

        中铭官网:www.zm699.com      

      * 表示必填采购:芯朋微PN8215主控芯片140W氮化镓充电器芯片
      * 联系人: 请填写您的真实姓名
      公司名称: 请填写您的公司名称
      联系电话:
      * 手机号码: 请填写您的联系电话
      电子邮件:
      联系地址:
      * 采购意向描述:
      请填写采购的产品数量和产品描述,方便我们进行统一备货。
      验证码: 验证码
      我要评论:  
      内 容:
      (内容最多500个汉字,1000个字符)
      验证码: 看不清?!
       
      联系中铭
      全国咨询热线:18929103949

      销售电话:0769-81150556
      工程电话:0769-85638990

      传真:0769-83351643

      邮箱:dgzm699@163.com

      地址:东莞市矮岭冚村沿河东街8号